AMI 2001RS與2001RSP微氧分析儀選用說明
微氧分析儀是一種在工業氣體監測中不可或缺的設備,廣泛應用於氧氣濃度檢測,以確保運行過程的穩定和安全。AMI微氧分析儀有兩種機型2001RS及2001RSP。
2001RS 微氧分析儀
2001RS適用於需要更強大功能與作業精準度的場合,其特性設計如下:
1.正壓進氣運作
1至40 psig氣壓進氣,自帶針閥及流量計,能輕鬆實現氣流控制及監測的一站式操作。
2.集成電磁閥設計
其內置電磁閥能在設備斷電時自動阻絕傳感器的氣路,有效延長壽命。此外,操作者可迅速切換範圍在樣品氣與校準氣體之間,優化校準程序。
3.校準壓力統一性
當進行校準時,必須確保校準氣壓與樣本氣壓一致,避免頻繁調整針閥導致不必要操作。平時建議封閉校準氣瓶的鋼瓶閥,減少無形中氣體的損耗。
4.氣體排放要求
排氣同樣需直通大氣壓,以防干擾設備檢測的穩定性。
5.LED顯示功能升級
LED設計更清晰多樣化。在報警模式下,指示燈由綠轉紅;進入校準模式時,長按SPAN按鈕五秒後,燈光顏色會變成閃爍藍色。若此時警報發生,燈光會於紅色與洋紅(紅藍混合色)間切換,清晰指示當前狀態。
.png)
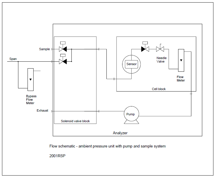
2001RSP 微氧分析儀
2001RSP是針對低壓樣氣環境設計的微氧分析儀,特別適合從接近大氣壓的環境(如儲罐頂部空間)抽取樣氣進行測量。以下是其主要特點:
1.樣氣流量與控制
該機型利用感測器後方的流量控制閥來調節流量,以避免對感測器產生負壓。最佳操作流量為 1 SCFH,但 0.2 SCFH 至 5 SCFH 的範圍均可接受。
2.校準氣流量控制
若直接將校準氣鋼瓶連接至校準入口,可能因內建泵浦影響而難以控制校準氣流量。因此,建議採用並聯的流量計配置,確保校準氣入口壓力接近大氣壓,以確保校準結果的準確性。
3.LED 指示燈與校準模式
與2001RS 相同,當設備進入警報狀態時,LED 指示燈會由綠色轉為紅色。按住 SPAN 按鈕五秒後,設備將進入校準模式,LED 指示燈會變為藍色並閃爍。在校準模式下進入警報狀態時,LED 指示燈則會在紅色與紫紅色之間閃爍。
.png)
總結
2001RS 與 2001RSP 三款微氧分析儀各具特色,適用於不同的應用場景:2001RS:功能強大,適合需要多功能操作與高靈活性的場合。
2001RSP:針對低壓環境設計,適合從接近大氣壓的環境抽取樣氣。
選擇合適的微氧分析儀不僅能提升工作效率,也能確保測量結果的準確性。使用者在選購前應根據實際需求仔細評估,選擇最適合的機型以滿足應用要求。
